为知足国家“工信部【2011】632号”文件及“GB 7258-2012”等标准对危险货物运输车的特殊要求,本次升级主要包括:
1、北斗兼容车载终端;
2、静电拖地带;
3、驾驶室内干粉灭火器;
4、驾驶室内电源总开关。
现在该底盘及底盘改装的运油车整车通告已宣布,专用车企业及用户可自行盘问。
1 车型主要设置
表1 解放牌J6M国Ⅳ专用6×4危险货物运输车底盘设置表

2 车型形貌
2.1基础特征形貌
(1)可选择BF6M1013(FEUP+SCR)系列发念头,功率涵盖规模240Ps—280Ps,排放抵达(GB17691-2005)国Ⅳ标准要求;
(2)匹配CA8TA135M变速器(法兰输出取力器)及CA10TA130M变速器(选装法兰输出取力器);
(3)匹配φ435意会桥(选装φ457桥);
(4)车架为270×75×(7+5)mm,后桥处带上装毗连Z型板,预留改装用标准孔;
(5)底盘预留取力传动、油泵装置空间,镌汰改装厂家二次改装;
(6)匹配远程电子手油门(PTO控制方法);
(7)排气后处置惩罚前置(带排气火花熄灭器),知足危险货物运输车特殊要求;
(8)前轴匹配盘式制动器,知足危险货物运输车特殊要求;
(9)匹配切合GB/T 13594划定的1类防抱制动装置,知足危险货物运输车特殊要求;
2.2手艺升级项目形貌
为了进一步知足国家规则及标准对危险货物运输车特殊要求,本次升级项目如下:
(1)匹配切合JT 230划定的静电拖地带;
(2)驾驶室内配备干粉灭火器一个;
(3)驾驶室内匹配切合GB 4208划定的电源总开关;
(4)匹配切合JT/T 794-2011划定的北斗兼容车载终端




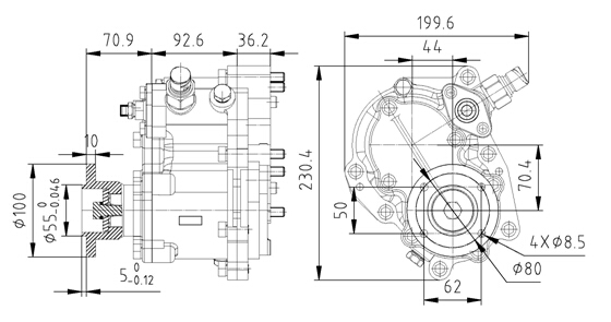
图1 升级后底盘细节图及相看护片

图3 J6M小排半、排半驾驶室尺寸比照图

图4 底盘外观照
3 改装参数

图6 车架横梁及角铁位置图
表3 取力器参数表


4 推荐车型码

太阳集团官网 妄想生长部
2014年8月







官方微博
官方微信
吉公网安备 22017102000234号
??